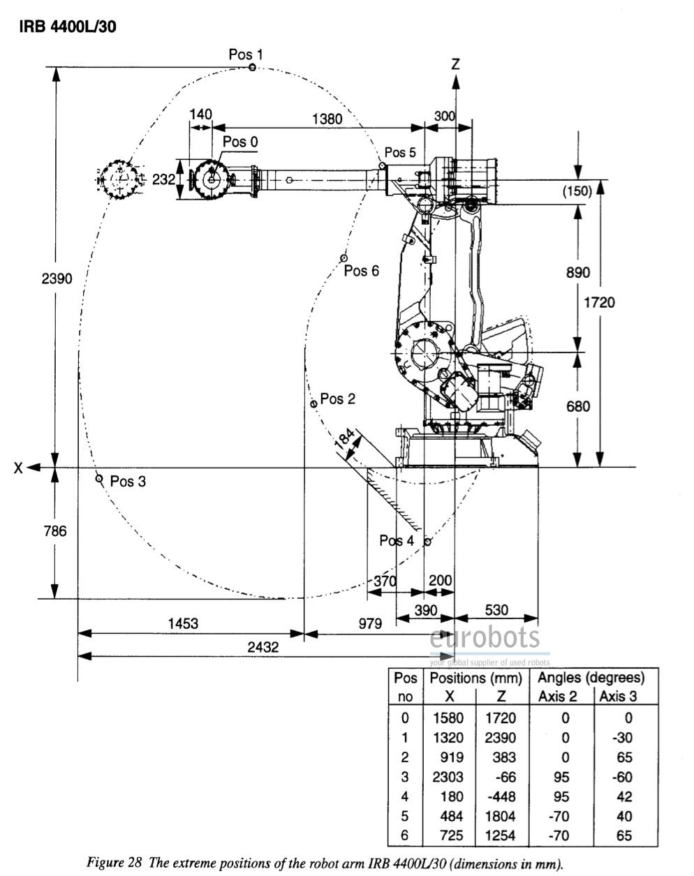
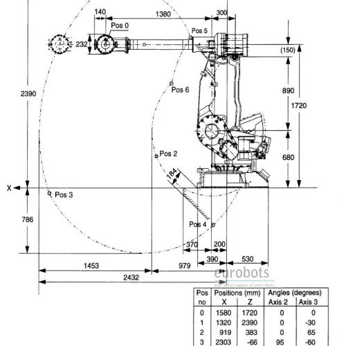
ABB IRB 4400L30 M98
Long arm version of the IRB4400 with 2432 mm horizontal arm reach. An extremely fast, compact robot for medium to heavy handling. Exceptional all-round capabilities make it suitable for a variety of manufacturing applications.
The S4C controller enables RAPID instructions making programming easier.
The load capacity up to 30 kg at very high speeds usually permits handling of two parts at a time.
Rapid maneuverability makes the IRB 4400 perfectly matched for applications where speed and flexibility are important.
The robust, rigid construction means long intervals between routine maintenance. Well-balanced steel arms with double bearing joints, a torque-strut on axis 2 and use of maintenance-free gearboxes and cabling also contribute to the very high levels of
reliability.
The drive train is optimised to give high torque with the lowest power consumption for economic operation.
Robot Info:
- Maximum Load of Robot: 30 Kg
- Maximum Reach: 2432 mm.
- Repeatability: 0,1 mm.
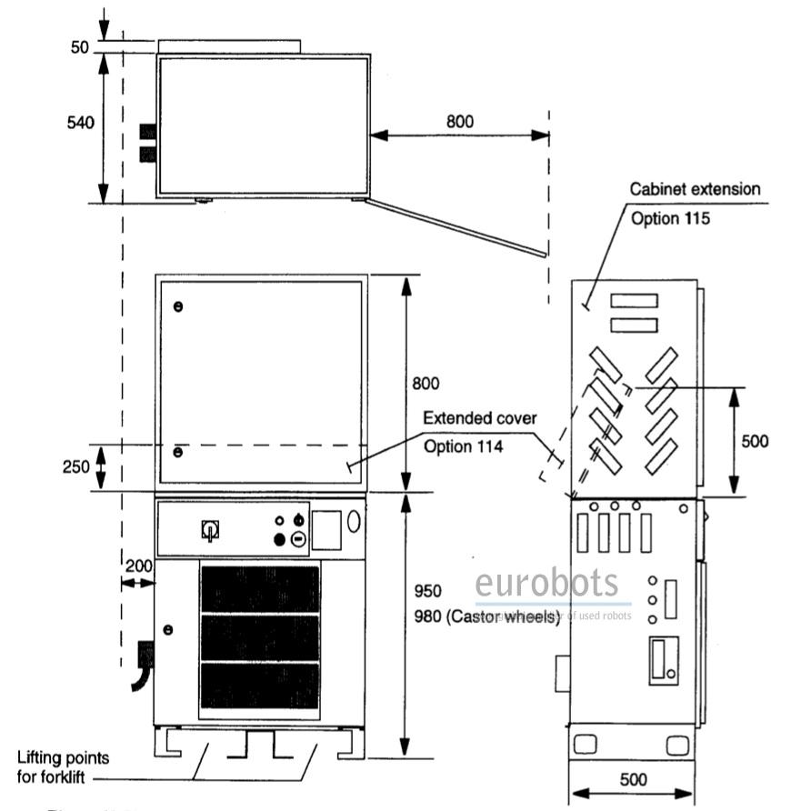
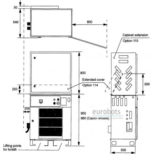
- Controller: M97A-M98A-M99 S4C.
Robot Motion Speed:
- Axe 1: 150º/seg
- Axe 2: 120º/seg
- Axe 3: 120º/seg
- Axe 4: 225º/seg
- Axe 5: 250º/seg
- Axe 6: 330º/seg
उपयोग
Pengelasan busur , Tekan merawat , Pembuatan palet , Memuat dan membongkar suku cadang , Mesin , Penanganan suku cadang , Pengukuran , Lem - Ikatan perekat
चित्र
रेखाचित्र
English
Spain
Germany
France
Russia
China
Argentina
Portugal
Colombia
Italy
Brazil
Japan
Mexico
Turkey
Ukraine
Peru
Sth. Africa